一、文檔背景
盡管開發板原廠提供了相關文檔,但可能缺乏對 A7 處理器 JTAG 功能的詳細說明。這可能會導致以下問題:
● 開發人員難以理解和利用 A7 處理器的基本功能,阻礙調試和開發進度。
● 在進行Uboot移植過程中,無法應用圖形界面的調試軟件(如ArmDS)直觀對Uboot進行調試,導致開發人員增加工作量和難度。
二、 解決的問題或者進行問題分析
在開發和調試RV1126 AI開發板上運行的A7處理器時,開發人員可能會遇到以下問題:
● 缺乏對JTAG功能的理解: 開發人員可能不清楚RV1126 AI開發板的JTAG硬件配置、A7處理器的JTAG調試寄存器以及如何使用JTAG工具進行調試。
● 調試困難: 缺乏有效的調試工具和方法,導致開發人員難以定位和解決A7處理器中的故障。
三、 如何在RV1126 AI開發板實現A7處理器JTAG調試功能
1. 從RV1126的Datasheet中可以查看到RV1126的JTAG有兩個,一個是A7,另一個是RISC-V,如圖3-1所示:

圖3-1
2. 從Rockchip RV1109/RV1126 Technical Reference Manual可以查看到RV1126的A7的JTAG功能配置寄存器:GRF_GPIO1A_IOMUX_H,偏移地址是:0x10014,把GRF_GPIO1A_IOMUX_H配置為0x3300,就可以實現JTAG功能,如圖3-2所示:

圖3-2
3. 從Rockchip RV1109/RV1126 Technical Reference Manual可以查看到,GRF_GPIO1A_IOMUX_H的基地址:0xFE000000. 則GRF_GPIO1A_IOMUX_H的絕對地址:0xFE010014,如圖3-3所示:

圖3-3
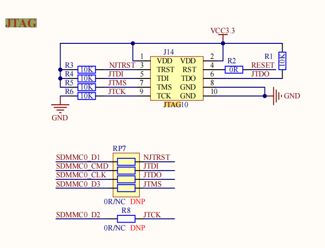
4. 因RV1126 JTAG接口有功能復位需設置,從RV1126 AI開發板的原理圖了解到,需要修改硬件,連接R8與RP7的JTMS引腳,如圖3-4所示:

圖3-4
5. 啟動RV1126 AI開發板,并進入到Uboot的命令行下,如圖3-5所示:

圖3-5
6. 運行“nm.l ”命令,把GRF_GPIO1A_IOMUX_H(0xFE010014)寄存器的值設置為0x3300,如圖3-6所示:
注:設置值時,需要輸入:0xFFFF3300,因“Write enable for lower 16bits, each bit is individual.”。

圖3-6
四、驗證RV1126 AI開發板實現A7處理器JTAG調試功能
1. 用ArmDS新建的調試平臺,并用Dstream-ST連接好開發板,設置好調試接口的參數,自動掃描平臺,掃描完成后,RV1126 AI開發板的調試模型已創建完成,如圖4-1所示:

圖4-1
2. 配置一下RV1126 AI開發板的調試模型,如圖4-2所示:

圖4-2
3. 新建一個Cortex-A7的Demo,編譯后,進行調試模式,如圖4-3所示:

圖4-3
五、討論分析
● 問題:如何正確連接JTAG接口的引腳與RV1126處理器?
● 答案:首先,需要查閱RV1126的技術文檔和電路圖,確定JTAG接口的引腳映射。通常包括TDI(數據輸入)、TDO(數據輸出)、TCK(時鐘)、TMS(模式選擇)和TRST(復位)等引腳。確保所有引腳正確連接,特別是電源和地線連接要穩定,避免信號干擾;重點注意一下,RV1126處理器的調試接口的復用;SWD方式與標準JTAG方式的區別。
● 問題:使用的JTAG接口標準是否與開發工具兼容?
● 答案:RV1126通常支持標準的IEEE 1149.1 JTAG接口。確保所使用的JTAG調試器(如U-Link或Dstream-ST)也支持該標準。可以通過調試器的文檔確認其兼容性和支持的特性。
● 問題:如何選擇和配置合適的調試工具和軟件?
● 答案:選擇支持RV1126的調試器,如U-Link或Dstream。安裝相應的驅動和軟件,配置調試軟件(如Keil, ArmDS等),設置正確的目標設備、接口類型和通信參數。調試器通常需要配置配置文件(如.cfg文件)來指定RV1126的特性。
六、結論
JTAG調試是一種非常強大的調試方法,可以用于調試各種類型的電子電路。對于RV1126 AI開發板來說,JTAG調試可以用于調試A7處理器以及其他片上外設。JTAG調試的主要優點包括非侵入性、可控性、可觀察性,主要缺點包括復雜性和速度限制。

首頁 > 資源中心 > FAQ
